Nueva Helvecia, Mq59+2j Colonia Valdense, Colonia Department, Uruguay

U$S 1,750,000

R$ ~9,380,000 / U$S 35/m2

Banheiros

3

Garagem

30

M² construído

50000

Ano de construção

2025

Tipo de propriedade

Outro

mais do que

3 semanas

Visualizações

96

Venta O Alquiler Logística O Planta Industrial En Nueva Helvecia

Se Vende o se Alquila.
Precio de Venta: USD 1.750.000.-
Precio de Alquiler: USD 10.000.-

Padrón rural y Planta Industrial de 5 has ubicado en la intersección de la ruta 1 (Km. 118.5) y la ruta 51, Departamento de Colonia - Nueva Helvecia.

Actualmente rentado hasta Marzo 2025.
Renta no transferible y según acuerdo con la empresa, la entrega del bien inmueble puede ser anticipado a la fecha de vigencia.

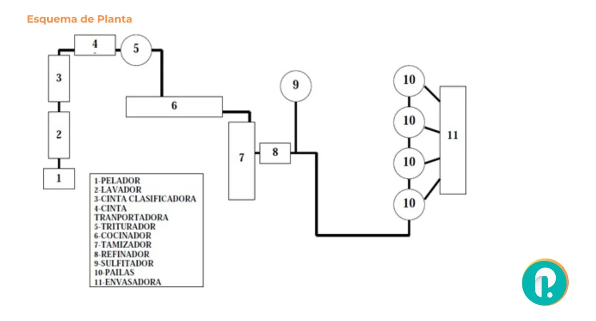
Planta de procesamiento de fruta, que en la actualidad funciona con el objetivo de elaborar dulce para diferentes marcas.

Procesan 500.000 kg de fruta por año, con capacidad de producción x3 veces más.

Cerco perimetral con dos entradas al frente y una posterior.

Estacionamiento techado fuera del cerco para 10 autos.

Galpones de mampostería paredes y pisos,y techo de cinc 1.800metros cuadrados.

Sala de maquinas y taller 200 metros cuadrados.

Sistema propio de efluentes.

Cámara de frío para 130 toneladas.

Equipos y maquinaria incluido en la Propuesta de Venta:

1 volcador de bins 1 Pelador de vapor
1 Lavador cilíndrico rotativo 1Cinta clasificación
1 Cinta elevadora
1 Triturador
1 Cocinador
1 Tamizadora/Refinadora
2 Bombas
1 Enfriador
1 Sulfitador
1 Cubeteador
4 Pailas 2.000 lts totales 1 tolva de mezclado
1 Envasadora automática
1 túnel de empacado de termocontraible
1 Caldera de 2.000 Kg./hora de vapor a leña.
2 autoelevadores
Mesas, balanzas, carros moldes, utensilios todo en acero inoxidable.
Herramientas de taller, soldadoras, cortadoras etc.
Capacidad de producción 600 ton/año en un turno de 9 horas.

Solicite más información:
Principal Real Estate.

Detalhes da propriedade

ID

Tipo de propriedade

Tipo de operação

M² construído

Banheiros

1255526

Outro

Oferta

2000

3

Garagem

Ano de construção

Referência

Atualizada

30

2025

J7A291

2025-09-26

Localização

1.8м U$S

Localização

Colonia

Endereço

Nueva Helvecia, Mq59+2j Colonia Valdense, Colonia Department, Uruguay

Ações Adicionais

Principal Real Estate
+59897329282
Objeto similar
Carregando...
Ganhe dinheiro indicando colegas!

Convide outros corretores de imóveis e ganhe 10% de comissão por cada promoção que fizerem.